WUHAN REMCOR TECHNOLOGY CO., LTD.
WUHAN REMCOR TECHNOLOGY CO., LTD.

Características del torno SA-205/265 5 Axis


1. La estructura de la máquina y el módulo de husillo principal se aplican con el hierro fundido Meehanite con diseño de costilla de alta rigidez. Toda la estructura se funde de una vez y se trata para eliminar el estrés. Así que garantizar la precisión para un uso prolongado

2. alta precisión, alta eficiencia, menos Procesamiento de relaves

La tolerancia de procesamiento es de ± 0.003mm, agregue la estructura especial del buje de guía que puede minimizar el material de la cola.

3. Las piezas complejas se pueden procesar de una vez

Compatible con moldes máx. de 6 ejes de diferencia, lo que hace posible la finalización única de múltiples procesos, como torneado, fresado, perforación y roscar, etc.

3. Amplia gama de procesamiento de materiales

Bueno en el procesamiento de una variedad de materiales, incluyendo acero inoxidable, aleación de aluminio, cobre, aleación de titanio, adecuado para escenarios de aplicación en diferentes campos.




Vídeo de procesamiento típico de SA-205/265 5 Eje Torno




SA-205/265 5 ejes Torno Detalles del parámetro


Artículo

SA265

SA205

Diámetro máximo de mecanizado

3mm

20mm

Max golpe de cabeza

Guía estándar buje

260mm

260mm

Buje no guía

2.5D

2.5D

Herramienta de torneado

Cantidad de herramientas

6 piezas

6 piezas

Especificaciones de la herramienta

D 12mm

D 12mm

Portaherramientas de cara

Cantidad de herramientas

Trabajo frontal

5 piezas

Trabajo de retaguardia

2 piezas (máx. 5 piezas)

Perforación máx.

Herramientas fijas

10mm

Max.tapping

Herramientas de fijación

M8 * P1.25

Unidad de herramienta cruzada

Cantidad de herramientas

5 piezas

Especificaciones de la herramienta

5 ER16

Perforación máxima

8mm(ER16)

Máximo golpeteo

M6 * P1.0(ER16)

Fresado máximo

10mm

Ranura de fresado máximo

Anchura 1,5, profundidad 4mm

Velocidad del husillo

ER16

6.000 min-1

ER11

8.000 min-1

Potencia de accionamiento

1Kw

Velocidad de movimiento rápido

Z1

32 m/min

X1

32 m/min

Y1

32 m/min

PrincipalVelocidad máx. del husillo

10.000 min-1 (6.000 min-1 manga de guía síncrona)

PrincipalÁngulo de indexación del husillo

Control del eje C (0.001 °)

Potencia del husillo principal

2,2/3.7kw

Husillo principal a través del diámetro del agujero

Porque 27mm

10mm

Capacidad de refrigerante

170L

Potencia del motor de refrigeración

0.4kw

Dimensiones totales (largo * ancho * alto)

2300*1300*1780mm

Peso de la máquina

2600kg

■ Especificaciones de configuración del segundo husillo (SUB)

Diámetro máximo de procesamiento

3mm

20mm

Longitud máxima de la pieza de descarga

80mm

Longitud máxima de la protuberancia de sujeción

50mm

Procesamiento lateral trasero

Cantidad de herramientas

ER16

4-6 (fijo)

Perforación máxima

Herramientas de fijación

8mm

Herramientas de rotación

6mm

Máximo golpeteo

Herramientas de fijación

M8 * P1.25

Herramientas de rotación

M6 * P1.0

Velocidad de movimiento rápido

Z2

32 m/min

X2

24 m/min

Velocidad máxima del husillo Sub

8.000 min-1

Grado de eje secundario

Control del eje C (0.001 °)

Potencia del eje secundario

1,5/2.2kw


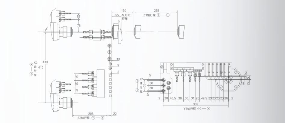
Trazo de mecanizado

Machining_Stroke.png 




¡Ponte en contacto con REMCOR ahora!

No dude en llamarnos o dejar un mensaje si tiene alguna pregunta.

Contáctenos