WUHAN REMCOR TECHNOLOGY CO., LTD.
WUHAN REMCOR TECHNOLOGY CO., LTD.

Características del torno SA-203/263 3 Axis


1. La estructura de la máquina y el módulo de husillo principal se aplican con el hierro fundido Meehanite con diseño de costilla de alta rigidez. Toda la estructura se funde de una vez y se trata para eliminar el estrés. Así que garantizar la precisión para un uso prolongado

2. alta precisión, alta eficiencia

La tolerancia de procesamiento es ± 0.003mm, la mayor eficiencia que es impulsada por el nuevo controlador y motor, acortar el tiempo de procesamiento

3. capacidad de procesamiento universal excelente

Las excelentes herramientas de corte aseguran el rendimiento de procesamiento y aumentan la satisfacción del cliente

4. Amplia gama de procesamiento de materiales

Bueno en el procesamiento de una variedad de materiales, incluyendo acero inoxidable, aleación de aluminio, cobre, aleación de titanio, adecuado para escenarios de aplicación en diferentes campos.




Vídeo de procesamiento típico de SA-203/263 3 Eje Torno




SA-203/263 3 ejes Torno Detalles del parámetro


Artículo

SA263

SA203

Diámetro máximo de mecanizado

3mm

20mm

Max golpe de cabeza

Guía estándar buje

255mm

255mm

Buje no guía

2.5D

2.5D

Herramienta de torneado

Cantidad de herramientas

6 piezas

6 piezas

Especificaciones de la herramienta

D 12mm

D 12mm

Portaherramientas de cara

Cantidad de herramientas

Trabajo frontal

5 piezas

Trabajo de retaguardia

2 piezas (máx. 5 piezas)

Perforación máx.

Herramientas fijas

10mm

Max.tapping

Herramientas de fijación

M8 * P1.25

Unidad de herramienta cruzada

Cantidad de herramientas

5 piezas

Especificaciones de la herramienta

ER16

Perforación máxima

8mm(ER16)

Máximo golpeteo

M6 * P1.0(ER16

Fresado máximo

10mm

Ranura de fresado máximo

Anchura 1,5, profundidad 4mm

Velocidad del husillo

ER16

6.000 min-1

Potencia de accionamiento

1Kw

Velocidad de movimiento rápido

Z1

32 m/min

X1

32 m/min

Y1

32 m/min

Husillo principal Velocidad máx.

10.000 min-1 (7.000 min-1G.B.)

Ángulo de indexación del husillo principal

Control del eje C (0.001 °)

Potencia del husillo principal

2,2/3.7kw

Husillo principal a través del diámetro del agujero

Porque 27mm

Capacidad de refrigerante

170L

Potencia del motor de refrigeración

0.4kw

Dimensiones totales (largo * ancho * alto)

1900*1300*1780mm

Peso de la máquina

2000kg


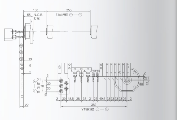
Trazo de mecanizado

Machining_Stroke_01.png 

 





¡Ponte en contacto con REMCOR ahora!

No dude en llamarnos o dejar un mensaje si tiene alguna pregunta.

Contáctenos